WPUST DACHOWY DO PAPY (WYSOKOŚĆ 330mm)
Cena regularna:
towar niedostępny
dodaj do przechowalni
Opis
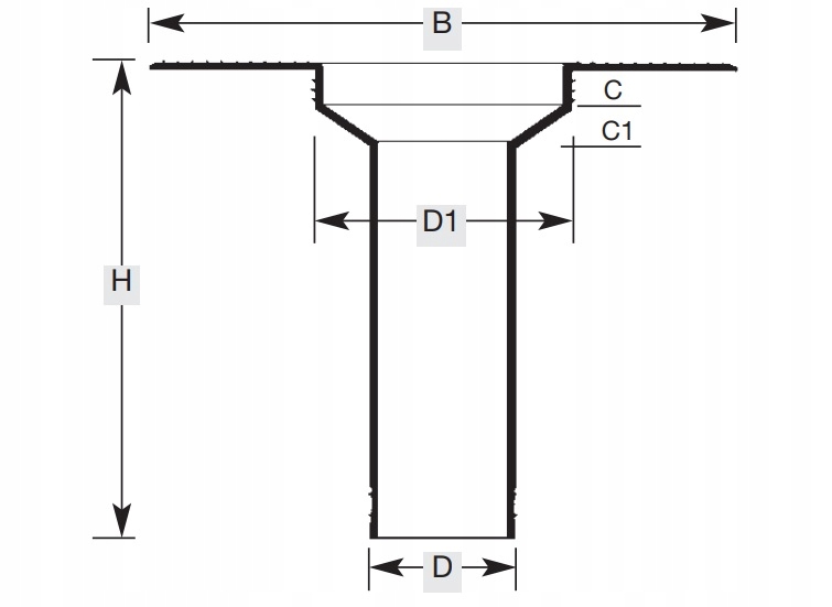
Wpust Dachowy do Papy
Wpusty dachowe przeznaczone są do odprowadzania wody z dachów płaskich, na których została ułożona hydroizolacja z papy zgrzewalnej.
Kołnierz uszczelniający w połączeniu z rurami spustowymi stanowi szczelny system odwodnienia dachu. Wykonane są ze specjalnego tworzywa IGOM CE dającego się doskonale zgrzewać z papami bitumicznymi, charakteryzującego się wysoką odpornością na działanie promieni UV, ozonu oraz innych czynników atmosferycznych i chemicznych.
Dzięki zastosowaniu dodatków uszlachetniających wpusty dachowe zachowują elastyczność i stabilność wymiarów w szerokim zakresie temperatur oraz posiadają chwilową odporność na działanie palnika, co pozwala przygrzewać je bezpośrednio do pap.
Długa rura wylotowa umożliwia montowanie ich w stropach o dużej grubości.
Lejkowate naczynie antyprzelewowe zapobiega przelewaniu się wody podczas pierwszego uderzenia deszczu oraz powoduje 20-procentowe zwiększenie wydajności odprowadzania wody w stosunku do innych wpustów o tej samej średnicy.
*Wpust produkcji Włoskiej

