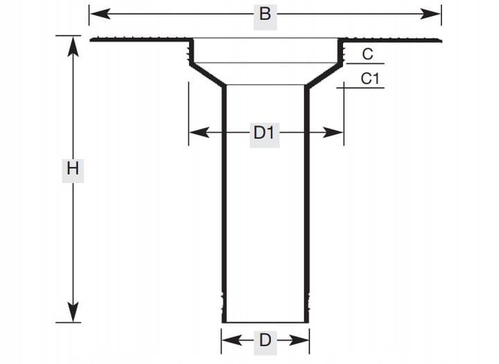
WPUST DACHOWY DO MEMBRANY PVC (330mm) ŚREDNICA 160 mm
Cena regularna:
towar niedostępny
dodaj do przechowalni
Opis
Wpust Dachowy do Membrany Pvc
Wpusty dachowe przeznaczone są do odprowadzania wody z dachów płaskich, na których została ułożona hydroizolacja z folii PCV. Dzięki zastosowaniu kołnierzy uszczelniających w połączeniu z rurami spustowymi stanowią szczelny system odwodnienia dachu.
Wykonane są ze specjalnego, termoplastycznego tworzywa PVC - P charakteryzującego się wysoką odpornością na działanie promieni UV, ozonu oraz innych czynników atmosferycznych i chemicznych przystosowanego do współpracy z membranami PCV. Zastosowanie dodatków uszlachetniających powoduje, że wpusty dachowe zachowują elastyczność i stabilność wymiarów w szerokim zakresie temperatur.
Długa rura wylotowa pozwala na montowanie ich w stropach o dużej grubości. Lejkowate naczynie antyprzelewowe zapobiega przelewaniu się wody podczas pierwszego uderzenia deszczu oraz powoduje 20-procentowe zwiększenie wydajności odprowadzania wody w stosunku do innych wpustów o tej samej średnicy.
Temperatura mocowania wpustu do folii PCV wynosi 450 – 520 ˚C.
Użycie wyższej temperatury może spowodować uszkodzenie warstwy ochronnej przeciw UV, co może doprowadzić do degradacji wpustu oraz rozszczelnienia powierzchni dachu.
*Wpust produkcji Włoskiej

